RadioMaster TX16S

Všechno co souvisí s modelářskými vysílači, výběr, programování, napájení
Odpovědět
Zpráva
Autor
Uživatelský avatar
prikrylm
Příspěvky: 4741
Registrován: pát 06.01.2012 9:48
Bydliště: Řečkovice

Re: RadioMaster TX16S

#871 Příspěvek od prikrylm »

"Plyn není na nule" jsem taky občas zaznamenal, ale stačilo mi do páčky drcnout...

Úvaha:
- změnou odporu u HS se "něco" posune? Co za HS v těch kniplech vlastně je? Do CPU jde, předpokládám napětí. Takže HS není něco, co produkuje napětí, ale nějaký odpor? Pokud ano, nestálo by za to vyměnit tyhle prvky za něco co produkuje skutečně napětí?

Asi za zimních večerů vyzouším. 4HS ještě doma vyhrabu...
(šroubovák | kleště | měřák | pájka | drátky | poletuchy | 24ch volantovka)
Uživatelský avatar
Giorgo
Příspěvky: 16
Registrován: čtv 31.12.2020 16:37
Bydliště: Žilina

Re: RadioMaster TX16S

#872 Příspěvek od Giorgo »

prikrylm píše:"Plyn není na nule" jsem taky občas zaznamenal, ale stačilo mi do páčky drcnout...

Úvaha:
- změnou odporu u HS se "něco" posune? Co za HS v těch kniplech vlastně je? Do CPU jde, předpokládám napětí. Takže HS není něco, co produkuje napětí, ale nějaký odpor? Pokud ano, nestálo by za to vyměnit tyhle prvky za něco co produkuje skutečně napětí?

Asi za zimních večerů vyzouším. 4HS ještě doma vyhrabu...

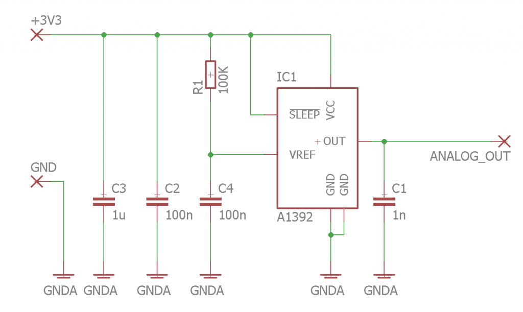
HS je A1392 od Allegra. R1 ma byt len na filtrovanie Vref vstupu, no RM tam osadili 100k, co okrem ineho robi tu tepl. zavislost. Vstup Vref ma 250k, takze ten R1 posuva vystup HS prec od Vref/2 (ja som mal 2.3V namiesto 1.65V, kolko ma byt bez mag.pola). Samotne HS su v poriadku, len ich dali prilis blizko magnetov a este pred krajnymi polohami je na vystupe HS 0 alebo 3.3V, cim sa kniple nedaju skalibrovat. Po uprave a kalibracii je to uz OK.
Přílohy
TX16S_hall_gimbal_schematic.png
Uživatelský avatar
prikrylm
Příspěvky: 4741
Registrován: pát 06.01.2012 9:48
Bydliště: Řečkovice

Re: RadioMaster TX16S

#873 Příspěvek od prikrylm »

Aha, díky za osvětu.
(šroubovák | kleště | měřák | pájka | drátky | poletuchy | 24ch volantovka)
blembondo
Příspěvky: 1912
Registrován: pon 01.12.2008 0:00
Bydliště: Lysice Brno

Re: RadioMaster TX16S

#874 Příspěvek od blembondo »

Další nové gimbaly od RM.Pravděpodobně to řeší problem s tepelným driftem ovšem cena mě upřímě rozesmála. :mrgreen:
https://www.aliexpress.com/item/1005003401988139.html
[youtu_be]http://youtu.be/-yU2r0S-Wns[/youtu_be]
Uživatelský avatar
prikrylm
Příspěvky: 4741
Registrován: pát 06.01.2012 9:48
Bydliště: Řečkovice

Re: RadioMaster TX16S

#875 Příspěvek od prikrylm »

(šroubovák | kleště | měřák | pájka | drátky | poletuchy | 24ch volantovka)
Uživatelský avatar
Jiri
Příspěvky: 1340
Registrován: stř 01.02.2006 0:00
Bydliště: Praha, Sobín

Re: RadioMaster TX16S

#876 Příspěvek od Jiri »

blembondo píše:Další nové gimbaly od RM

Připomíná to gimbaly co jsou v Eachine verzi.
Símův axiom: Každý signál se zlepší, připojíme - li anténu
blembondo
Příspěvky: 1912
Registrován: pon 01.12.2008 0:00
Bydliště: Lysice Brno

Re: RadioMaster TX16S

#877 Příspěvek od blembondo »

Jiri píše:Připomíná to gimbaly co jsou v Eachine verzi.

Eachine má tyto...
https://radiomasterrc.com/store-TX16s-R ... imbal.html
...ale jinak to bude asi stejné.
Uživatelský avatar
chorche
Příspěvky: 494
Registrován: úte 08.03.2011 0:00
Bydliště: Praha 5 Smíchov

Re: RadioMaster TX16S

#878 Příspěvek od chorche »

Uvidime, ja jsem tez zadny teplotni zatim nezaznamenal, ale pravda ze v zime jsem jeste letal s Horusem X10 (navic jeste v zateplenem obalu). Teplotni drifty u obou verzi ale uzivatele hlasili, tak jsem to radsi zminil. Popravde u gimbalu za 130$ by me to nepotesilo...
Hacker Rapier; MPX FC,EG,ES; Phoenix 2k; RCF SBach 342XL
mikroheli a hromada kopter
FrSky Horus X10s
Luďan
Příspěvky: 10
Registrován: stř 09.04.2014 17:18

Re: RadioMaster TX16S

#879 Příspěvek od Luďan »

Můžete mi prosím poradit ? Nahrál jsem do rádia poslední verzi OpenTX 2.3.14 a interní modul V 1.3.3.0 a od té doby ,mi nejde spárovat přijímač RX6R .Testoval jsem poslední verzi RX6R ACCST-2.1.1 LBT frk ,RX6R ACCST 2.1.1. FCC frk , RX6R ACCST 2.1.0 LBT frk. RX6R ACCST 2.1.0 FCC frk . Nakonec se chytla starší verze RX6R LBT 180516 frk . Jen se ptám, jestli někdo má taky takové zkušenosti. Nejraději bych tam chtěl nejnovější verzi, pokud to nějak jde.
Uživatelský avatar
juraj.jurej
Příspěvky: 4069
Registrován: čtv 08.03.2012 9:01
Bydliště: SK
Kontaktovat uživatele:

Re: RadioMaster TX16S

#880 Příspěvek od juraj.jurej »

Luďan píše:Můžete mi prosím poradit ? Nahrál jsem do rádia poslední verzi OpenTX 2.3.14 a interní modul V 1.3.3.0 a od té doby ,mi nejde spárovat přijímač RX6R .Testoval jsem poslední verzi RX6R ACCST-2.1.1 LBT frk ,RX6R ACCST 2.1.1. FCC frk , RX6R ACCST 2.1.0 LBT frk. RX6R ACCST 2.1.0 FCC frk . Nakonec se chytla starší verze RX6R LBT 180516 frk . Jen se ptám, jestli někdo má taky takové zkušenosti. Nejraději bych tam chtěl nejnovější verzi, pokud to nějak jde.


Daj najnovšú verziu ACCST V2 LBT a na rádiu daj Frsky X2 LBT a skús párovať z väčšiej vzdialenosti. (cca. 1-2m). Alebo si zle flešol nesprávnou verziou interný modul.
FrSky Tandem X20
Uživatelský avatar
Miro_V
Příspěvky: 1081
Registrován: ned 26.07.2020 17:39
Bydliště: Žilina, let.Hôrky-Brezovec , SK

Re: RadioMaster TX16S

#881 Příspěvek od Miro_V »

Luďan píše:Můžete mi prosím poradit ? Nahrál jsem do rádia poslední verzi OpenTX 2.3.14 a interní modul V 1.3.3.0 a od té doby ,mi nejde spárovat přijímač RX6R .Testoval jsem poslední verzi RX6R ACCST-2.1.1 LBT frk ,RX6R ACCST 2.1.1. FCC frk , RX6R ACCST 2.1.0 LBT frk. RX6R ACCST 2.1.0 FCC frk . Nakonec se chytla starší verze RX6R LBT 180516 frk . Jen se ptám, jestli někdo má taky takové zkušenosti. Nejraději bych tam chtěl nejnovější verzi, pokud to nějak jde.



Verzia OpenTx nie je az tak dolezita - dolezite je aby ti pasovala verzia protokolu vysielacieho modulu (v tvojom pripade interny) a verzia v prijimaci.
U teba je to OK. Verzia intern.modulu 1.3.3 vie aj verziu protokolu 2.xxx

1.Ak pouzijes vo vysielaci LBT tak musi byt aj v prijimaci , inak sa nespoja.
2. Verzia 1.xxx vysielaca sa spoji len s 1.xxx v prijimaci
3. Verzia 2.xxx vysielaca sa zas spoji len s 2.xxx v prijimaci.

Dolezita vec :
Ak mas v prijimaci verziu 1.nieco (napr.1.8) volis si pri bindovani verziu napr. FrSky X (verzia 1.xxx ACCST)
AK mas v prijimaci verziu 2.xxx (napr.2.1.1) musis vo vysielaci zvolit FrSky X2 - to je prave verzia 2.xxx ACCST

Verziu si vyberas pri bindovani v menu modelu - FrSky X sa s prijimacom 2.1 nespoji !

FRSKYX - 15
Models: FrSky v1.xxx receivers X4R, X6R and X8R. Protocol also known as D16 v1 FCC/LBT.

FRSKYX2 - 64
Same as FrskyX but for D16 v2.1.0 FCC/LBT.


Ak mas chut trosku studovat tak tu mas odkaz na zoznam protokolov v internom module aj s kratkymi popismi nizsie...
https://github.com/pascallanger/DIY-Multiprotocol-TX-Module/blob/master/Protocols_Details.md#FRSKYX2---64

Edit: Ja verzie v prijimaci uz neriesim ,spolahlive su 1.xxx aj 2.xxx , proste na novom prijimaci bindujem na Frsky X , a ak to nejde tak skusim FrSky X2. Prijimac nechavam v stave zakupenia - a mam pokoj. Este sa mi nestalo ze by mi model padol na vypadok signalu ci nejaky problem s protokolom.
Vyhoda multimodulu - vie obidve verzie.
Radiomaster TX16s / FrSky Horus X12s / Spektrum Dx8 G2 + pár lietadielok....
Luďan
Příspěvky: 10
Registrován: stř 09.04.2014 17:18

Re: RadioMaster TX16S

#882 Příspěvek od Luďan »

Moc všem děkuji za cenné rady, problém vyřešen!
Uživatelský avatar
Jiri
Příspěvky: 1340
Registrován: stř 01.02.2006 0:00
Bydliště: Praha, Sobín

Re: RadioMaster TX16S doplňky pro verzi Eachine

#883 Příspěvek od Jiri »

Možná se někomu bude hodit některý z mých designů pro 3d tisk:
Balancér odladěný pro Eachine:
https://www.thingiverse.com/thing:5097250
Pro klasický Radiomaster by asi byla lepší kratší verze (nějakou vývojovou bych taky měl).
Chránič gimbalů a přepínačů
https://www.thingiverse.com/thing:5097319
Přílohy
Gimb2.jpg
bal_1.jpg
Símův axiom: Každý signál se zlepší, připojíme - li anténu
Uživatelský avatar
juraj.jurej
Příspěvky: 4069
Registrován: čtv 08.03.2012 9:01
Bydliště: SK
Kontaktovat uživatele:

Re: RadioMaster TX16S

#884 Příspěvek od juraj.jurej »

Nieje nieaký 3-osý gimbal resp. riešenie pre TX16S? Chcel by som kvôli zdravotným problémom ovládať jednou rukou aj plyn, ako to to: https://hobbyking.com/en_us/quanum-sing ... tore=en_us
Přílohy
80303.jpg
FrSky Tandem X20
Uživatelský avatar
Miro_V
Příspěvky: 1081
Registrován: ned 26.07.2020 17:39
Bydliště: Žilina, let.Hôrky-Brezovec , SK

Re: RadioMaster TX16S

#885 Příspěvek od Miro_V »

Ak ziadny gimbal nenajdes , skus si plyn prehodit na ten posuvno-otocny potenciometer co je dolu po stranach , mozno by to bolo pre teba pouzitelne...
Radiomaster TX16s / FrSky Horus X12s / Spektrum Dx8 G2 + pár lietadielok....
Odpovědět

Zpět na „Vysílače“