Nedaří se naprogramovat Picaxe

Dneska se procesory objevují všude, pokud máte nějaký nápad, či udělát, tak se neváhejte pochlubit.
Zpráva
Autor
Uživatelský avatar
jag42
Příspěvky: 1619
Registrován: stř 09.02.2011 0:00
Bydliště: Meziměstí ČR

Nedaří se naprogramovat Picaxe

#1 Příspěvek od jag42 »

Zdravím,
Koupil jsem si na hraní Picaxe 08, zapojil ho podle RCrevue, v počítači naintaloval program, vytvořil pár prográmků, které tam chodí, ale za nic na světě program nepřetáhnu do 08. Sériový kabel mám zapojený správně :?: :roll: , ale pořád to píše hlášku, že nemá spojení. Přes stejný kabel posílám do počítače data z měřáku a to chodí v pohodě. Nevím proč se po druhé žíle z počítače do 08 nic nedostane.
Nejsem úplné pako, už jsem mnoho různých el. obvodů realizoval, některé i sám navrhl a zrealizoval (a vše chodilo a pokud ne, věděl jsem proč), ale tohle mě zahnalo ke zdi. :twisted:
Mám to už od jara, vždy to zapojím na zkušební desce znovu, vše překontroluju a výsledek stejný. Tak to odložím a za nějaký čas mi to nedá a opět stejný výsledek. Někde je, nebo dělám chybu ... :cry:
Možna jsem blbě hledal, ale v patřičných vláknech jsem odpověď nenašel. :roll:
Předem díky za nakopnutí správným směrem :wink:
Maximux
Příspěvky: 192
Registrován: úte 21.07.2009 0:00
Bydliště: Brno
Kontaktovat uživatele:

Re: Nedaří se naprogramovat Picaxe

#2 Příspěvek od Maximux »

Zásadní otázka zní, zda ten kabel máš rovný, nebo křížený.
Rovný je 2-2, 3-3, 5-5.
Křížený je 2-3,3-2, 5-5.
Typické (základní) zapojení RS232 bez RTS/CTS DTR/DSR u Cannon9 konektorů.
Není možné, že měřák potřebuje takový a PICAXE makový ??? :idea:
Osobně na programování PIC používám programátor, ale PICAXE je kapánek jiný...
eM.
DX6i, EasyStar, Firebird Phantom, MiniTornado, BeeII, Sbach EPP, Lodě: PILOT, ANTJE, Victoria
Uživatelský avatar
jag42
Příspěvky: 1619
Registrován: stř 09.02.2011 0:00
Bydliště: Meziměstí ČR

Re: Nedaří se naprogramovat Picaxe

#3 Příspěvek od jag42 »

V zoufalství jsem i to zkoušel - přehodit 2 -3 , zem 5 jsem nechal - ale nic. :x
Uživatelský avatar
petrs2010
Příspěvky: 162
Registrován: pát 04.09.2009 0:00

Re: Nedaří se naprogramovat Picaxe

#4 Příspěvek od petrs2010 »

Co napájení PICAXE ?
Uživatelský avatar
jyrry
Příspěvky: 22018
Registrován: pon 28.02.2005 0:00
Bydliště: Rakovník
Kontaktovat uživatele:

Re: Nedaří se naprogramovat Picaxe

#5 Příspěvek od jyrry »

Jeste mne napadlo - zkusit to na jinem PC...
Ony ty porty RS232 jsou vselijake, mam v praci 2 NC masiny (na kterych delam a krmim je daty) a k nim stary PC-vykopavku, protoze ten jediny ma port takovy, ze s masinami komunikuje. S jinymi vecmi jine COMy (na novejsich PC) funguji, jen s temi masinami ne...
jyrry.webnode.cz
Uživatelský avatar
jag42
Příspěvky: 1619
Registrován: stř 09.02.2011 0:00
Bydliště: Meziměstí ČR

Re: Nedaří se naprogramovat Picaxe

#6 Příspěvek od jag42 »

Napájím to třemi AAA napětí 4,75V ošetřené 1x1000uF, 1x100nF, 1x1nF.
Pro tohle používám starý stolní Compac, který má sériovou linku.
Na piny 0,1,2 (vývody7,8,5) mám napojené LED přes odpory - několik sec. po připojení napájení začne LED na pinu 0 blikat s cca 1 sec. frekvencí.
Procesory 08M2 mám dva a chovají se naprosto stejně. :roll:
Uživatelský avatar
vasek
Příspěvky: 144
Registrován: stř 04.04.2007 0:00
Bydliště: České Budějovice
Kontaktovat uživatele:

Re: Nedaří se naprogramovat Picaxe

#7 Příspěvek od vasek »

- muze byt spatny procesor, jak otestovat nevim.
- s programovanim jsem mel taky problem v situaci, ze v procesoru byl nahrany program ktery neco delal se seriovou linkou. Pak mi pomohlo spustit v IDE programovani a az nasledne spustit procesor (pripojit k nemu napajeni). V navodu je to popsano jako Hard-reset procedure
- zkusit pouzit Enhanced Serial Download Circuit - zase podle navodu (01_Getting started) - pridava k zakladnimu zapojeni jednu diodu a odpor jako napetovou referenci.

Vasek
Uživatelský avatar
jirka578
Příspěvky: 57
Registrován: pon 11.08.2008 0:00
Bydliště: Plzeň, ČR

Re: Nedaří se naprogramovat Picaxe

#8 Příspěvek od jirka578 »

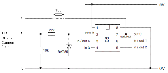
Jisto-jistě zapojeno takto?
Přílohy
Picaxe08_download_circuit.GIF
Picaxe08_download_circuit.GIF (6.16 KiB) Zobrazeno 4137 x
Uživatelský avatar
jag42
Příspěvky: 1619
Registrován: stř 09.02.2011 0:00
Bydliště: Meziměstí ČR

Re: Nedaří se naprogramovat Picaxe

#9 Příspěvek od jag42 »

Tak, tak, zapojené je to takhle.
Tak jsem přestěhoval snad 20kg osciloskop do místnosti s počítačem, napíchl to na vstup.
Když spustím programování naběhne z Low na High a okamžitě zpět na Low a hodí hlášku.
Takže kabelem a počítačem to nebude- o něco se snaží. Asi bude KO procesor (oba).
Objednám jiný a uvidíme.
Možná jsem jim něco nedobrého udělal hned na začátku , kdy jsem to oživoval na lab. zdroji - napětí jsem měl nastavené určitě dobře, ale stát se může cokoliv... hlavně v prvotním nadšení :lol: , však to znáte.
Tak až dorazí nový dám vědět.
Zatím všem díky.
Uživatelský avatar
Jano10
Příspěvky: 116
Registrován: ned 30.12.2007 0:00
Bydliště: Polomka(Brezno)
Kontaktovat uživatele:

Re: Nedaří se naprogramovat Picaxe

#10 Příspěvek od Jano10 »

Myslím že problém bude z napäťovými úrovňami com port má +- 15 V a procesor 0-5 V chcelo by to prevodník RS232 - UART napr MAX232.
Uživatelský avatar
jag42
Příspěvky: 1619
Registrován: stř 09.02.2011 0:00
Bydliště: Meziměstí ČR

Re: Nedaří se naprogramovat Picaxe

#11 Příspěvek od jag42 »

Jano10 píše:Myslím že problém bude z napäťovými úrovňami com port má +- 15 V a procesor 0-5 V chcelo by to prevodník RS232 - UART napr MAX232.

Máš pravdu, snad začíná svítat :o
Naměřil jsem osciloskopem i měřákem:
Low cca -10V
High cca +10V
Převodníky nemám, ale když je to jednosměrný přenos, nestačilo by to okrájet, třeba zenerkou?
Uživatelský avatar
Jano10
Příspěvky: 116
Registrován: ned 30.12.2007 0:00
Bydliště: Polomka(Brezno)
Kontaktovat uživatele:

Re: Nedaří se naprogramovat Picaxe

#12 Příspěvek od Jano10 »

Pre posielanie dát do PIC by to mohlo stačiť ale pre posielanie dát z procesoru do PC bude asi najlepšia voľba ten prevodník.
Uživatelský avatar
jag42
Příspěvky: 1619
Registrován: stř 09.02.2011 0:00
Bydliště: Meziměstí ČR

Re: Nedaří se naprogramovat Picaxe

#13 Příspěvek od jag42 »

Tak jsem z toho signálu udělal pomocí odporu, diody a zenerky formát 0V a +5V, leč chová se to naprosto stejně jako předtím.
Uživatelský avatar
MartyCZ
Příspěvky: 146
Registrován: čtv 19.05.2011 0:00
Bydliště: Praha

Re: Nedaří se naprogramovat Picaxe

#14 Příspěvek od MartyCZ »

neni ten vstup do picaxe TTL? Pak orezani nepomuze. RS-232 ma log 0 jako +12V, log 1 jako -12V. TTL ma log 0 jako 0V, log 1 jako +5V. Tj krom orezani je potreba jeste invertovat. Nebo pouzit max232 a jeho ekvivalenty.
Uživatelský avatar
vasek
Příspěvky: 144
Registrován: stř 04.04.2007 0:00
Bydliště: České Budějovice
Kontaktovat uživatele:

Re: Nedaří se naprogramovat Picaxe

#15 Příspěvek od vasek »

MartyCZ píše:neni ten vstup do picaxe TTL? Pak orezaniohle je zbytecna snaha nepomuze. RS-232 ma log 0 jako +12V, log 1 jako -12V. TTL ma log 0 jako 0V, log 1 jako +5V. Tj krom orezani je potreba jeste invertovat. Nebo pouzit max232 a jeho ekvivalenty.


Myslim, ze tohle je zbytecna snaha. Ty procesory se programuji primo propojenim serioveho portu na vstupy procesoru (s pouzitim dvou odporu) bez jakychkoliv prevodniku.
Odpovědět

Zpět na „Procesory a jiné vychytávky“